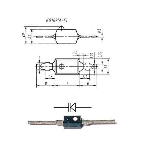
eine C - Diode KV 109 G ( = BSW 409 V )
Die Daten:
Name
Cd, pF
Cd ratio
Urev, V
Irev, uA
Q at Urev=3V
Tamb, C
KV109G
8…17
>4
25
0.5
160
-40…+85