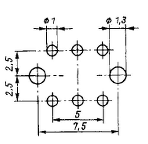
ein RFT - Miniaturfilter Typ 3912 ( AM - ZF )
Die Maße sind ca 7,2 x 7,8 x 13,5 mm ( L x B x H )
L = 630 uH ( einstellbar 535 uH ... 725 uH ) , 455 kHz
Q 40 ... 65